English
Español
Português
русский
Français
日本語
Deutsch
tiếng Việt
Italiano
Nederlands
ภาษาไทย
Polski
한국어
Svenska
magyar
Malay
বাংলা ভাষার
Dansk
Suomi
हिन्दी
Pilipino
Türkçe
Gaeilge
العربية
Indonesia
Norsk
تمل
český
ελληνικά
український
Javanese
فارسی
தமிழ்
తెలుగు
नेपाली
Burmese
български
ລາວ
Latine
Қазақша
Euskal
Azərbaycan
Slovenský jazyk
Македонски
Lietuvos
Eesti Keel
Română
Slovenski
मराठी
Srpski језик
Produktfunksjones
1, DC-generering og DC-lagring, mer effektivitet og lavere tap, som er egnet for PV og lagringskraft er større
enn belastningsstrøm off-grid scenarier;
2, IP65 beskyttelse, møter utendørs bruk. MPPT i nærheten øker konvergensutgangen, noe som bidrar til å forhindre kabling
forvirring forårsaket av flere fotovoltaiske (PV) kabler som overføres over lange avstander til alt-i-ett-systemet.
3, 200-900V bredt spenningsområde for fotovoltaisk inngang, som støtter bransjens høystrøms fotovoltaiske modultilgang.
4、Multi-channel MPPT, møter PV panel multi-angle
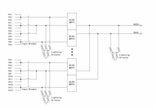
Koblingsskjema

Spesifikasjon
| Modeller | MPPT-8 | MPPT-6 | MPPT-12 | |
| PV-sidegrensesnitt Parametere |
Maksimal PV array spenning | 900V | ||
| MPPT spenningsområde | 200V-900V | |||
| Nominell MPPT-spenningsområde | 560V-900V | |||
| Maksimal grenstrøm | 24A | 20A | ||
| PV-inngangsstrengnummer | 8 | 6 | 12 | |
| Antall MPPT | 8 | 2 | 4 | |
| Gjeldende per MPPT | 20A | 55A | ||
| Utgangsparametre | Spenningsområde | 600-950V | ||
| Nominell spenning | Standard 716,8V, justerbar | |||
| Nominell utgangsstrøm | 118A | 84A | 168A | |
| Nominell utgangseffekt | 84kW | 60 kW | 120kW | |
| Maksimal utgangsstrøm | 192A | 120A | 240A | |
| Systemparametere | EUe ciency | 99,4 % | ||
| iP karakter | IP65 | |||
| Kjølekonsept | Naturlig konveksjon | Forsert luftkjøling | ||
| Dimensjoner (B*D*H) | 550x530x280mm | 630×460×260 mm | 630×460×260 mm | |
| Vekt | 42 kg | 25 kg | 30 kg | |
| Driftstemperatur | -30 ~ 55 ℃ | |||
| Strømforsyningsmoduser | Selvdrevet (uten strømforbruk om natten) | |||
| Kommunikasjonsgrensesnitt | RS485 | |||
