English
Español
Português
русский
Français
日本語
Deutsch
tiếng Việt
Italiano
Nederlands
ภาษาไทย
Polski
한국어
Svenska
magyar
Malay
বাংলা ভাষার
Dansk
Suomi
हिन्दी
Pilipino
Türkçe
Gaeilge
العربية
Indonesia
Norsk
تمل
český
ελληνικά
український
Javanese
فارسی
தமிழ்
తెలుగు
नेपाली
Burmese
български
ລາວ
Latine
Қазақша
Euskal
Azərbaycan
Slovenský jazyk
Македонски
Lietuvos
Eesti Keel
Română
Slovenski
मराठी
Srpski језик |
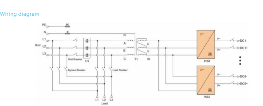
Trekk Systemet bruker modulære inverterenheter i parallell konfigurasjon, hvor hver invertermoduls DC-inngang tilsvarer et dedikert batteriskap, gjør det mulig for per-cluster management å eliminere sirkulerende strømmer mellom batteristrenger. AC/DC-strømmodulene støtter fleksibel distribusjon i både mengde og effekt, med en maksimal kapasitet på 60kW moduler i en 5-enhets parallell konfigurasjon. AC-utgangen fra strømmodulene leveres gjennom en transformator isolert utgangstrinn, som leverer kraft til lasten med sterk motstand mot nåværende sjokk. Hybrid ESS benytter DC-koblet fotovoltaisk integrasjon, og oppnår høy energikonverteringseffektivitet og optimalisert for off-grid-scenarier med PV generasjonskapasitet som overstiger belastningsbehovet; Utendørsklassifiserte MPPT-kontrollere integrer kombinasjons- og MPPT-funksjoner i et enkelt herdet kabinett. Det komplette systemet inkluderer en dieselgenerator ATS-alternativ, en 300kW hybrid inverter, PV MPPT-kontroller og et batterienergilagringssystem.
Trekk Systemet bruker modulære inverterenheter i parallell konfigurasjon, hvor hver invertermoduls DC-inngang tilsvarer et dedikert batteriskap, gjør det mulig for per-cluster management å eliminere sirkulerende strømmer mellom batteristrenger. AC/DC-strømmodulene støtter fleksibel distribusjon i både mengde og effekt, med en maksimal kapasitet på 60kW moduler i en 5-enhets parallell konfigurasjon. AC-utgangen fra strømmodulene leveres gjennom en transformator isolert utgangstrinn, som leverer kraft til lasten med sterk motstand mot nåværende sjokk. Hybrid ESS benytter DC-koblet fotovoltaisk integrasjon, og oppnår høy energikonverteringseffektivitet og optimalisert for off-grid-scenarier med PV generasjonskapasitet som overstiger belastningsbehovet; Utendørsklassifiserte MPPT-kontrollere integrer kombinasjons- og MPPT-funksjoner i et enkelt herdet kabinett. Det komplette systemet inkluderer en dieselgenerator ATS-alternativ, en 300kW hybrid inverter, PV MPPT-kontroller og et batterienergilagringssystem.
Spesifikasjoner |
|||||
| Modeller | P200TS-400-A | P250TS-400-A | P300TS-400-A | ||
|
DC-Side parametere |
Spenningsområde | 650-950Vdc | |||
| Per-modul inngangsbryter | 250A | ||||
| Antall DC-kanaler | 3 veis | 4 veis | 5 veis | ||
|
AC-Side parametere (netttilkoblet) |
Nominell utgangseffekt | 200kW | 250kW | 300kW | |
| Maksimal utgangseffekt | 220kW | 275 kW | 330kW | ||
| Nominell utgangsstrøm | 289A | 361A | 433A | ||
| THDi | <3 % | ||||
| Rutenetttype | 3W+N+PE | ||||
| Spenningsområde | 360Vac~440Vac | ||||
| Frekvensområde | 45~55Hz/55~65Hz | ||||
| Effektfaktor | -1~1 | ||||
|
Islanded Parametere på AC-siden |
Nominell utgangseffekt | 200kW | 250kW 300kW | ||
| Nominell utgangsspenning | 400Vac | ||||
| Nominell utgangsfrekvens | 50/60 Hz | ||||
| THDu | <1 % lineær, <5 % ikke-lineær<1 % lineær, <5 % ikke-lineær | ||||
| Overbelastningskapasitet | 110 % overbelastning i 10 minutter 110 % i 10 minutter | ||||
|
Grid-Islanding Overføring og koblingsutstyr |
Bypass-bryter for vedlikehold | 400A | 630A | ||
| Gridbrytere | 630A | 800A | |||
| Last brytere | 400A | 630A | |||
| STS enhet | 577A/400kW | 722A/500kW | |||
| Byttetid | <20 ms | ||||
|
Systemparametere |
Topp effektivitet | 97,5 % | |||
| Driftstemperatur | -30 ~ 55 ℃-30 ~ 55 ℃ (reduksjon over 40 ℃) | ||||
| Relativ fuktighet | 0~95%RH,0~95%RH,Ikke-kondenserende | ||||
| Dimensjoner (L*D*H) | 1300×1050×2050 mm | ||||
| Vekt | 1400 kg | 1700 kg 1800 kg | |||
| IPgrade | IP21 IP21 (Full sett) | ||||
| Støy | <70dB | ||||
| Skjerm | LCD berøringsskjerm | ||||
| BMS kommunikasjon | KAN | ||||
| EMS kommunikasjon | TCP/IP | ||||