English
Español
Português
русский
Français
日本語
Deutsch
tiếng Việt
Italiano
Nederlands
ภาษาไทย
Polski
한국어
Svenska
magyar
Malay
বাংলা ভাষার
Dansk
Suomi
हिन्दी
Pilipino
Türkçe
Gaeilge
العربية
Indonesia
Norsk
تمل
český
ελληνικά
український
Javanese
فارسی
தமிழ்
తెలుగు
नेपाली
Burmese
български
ລາວ
Latine
Қазақша
Euskal
Azərbaycan
Slovenský jazyk
Македонски
Lietuvos
Eesti Keel
Română
Slovenski
मराठी
Srpski језик
Produktfunksjoner
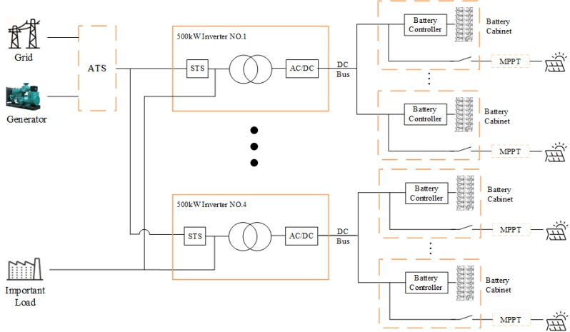
1. Belastninger over 500 kW, det anbefales å bruke en 500 kW energilagringsomformer med stor kapasitet på én enhet, som er i stand til å støtte opptil fire sett med parallellkoblinger, og oppnå en total effekt på 2 MW;
2. Ved parallell drift av flere 500 kW-systemer og distribusjon av STSa på tvers av forskjellige 500 kW-vekselrettere, er det avgjørende å sikre at kabellengden fra nettforbindelsespunktet til lasttilknytningspunktet er konsistent;
3.Hybrid ESS benytter DC-koblet fotovoltaisk integrasjon, oppnår høy energikonverteringseffektivitet og optimert for off-grid scenarier med PV generasjonskapasitet som overstiger belastningsbehovet; Utendørs vurdert MPPT
kontrollere integrerer kombinasjons- og MPPT-funksjoner i et enkelt herdet kabinett. Det komplette systemet inkluderer en dieselgenerator ATS-alternativ, en 300kW hybrid omformer, PV MPPT-kontroller og et batteri
energilagringssystem.


Spesifikasjon
| Modeller | P500TS-400-A | |
|
DC-Side parametere |
Spenningsområde | 500-950V |
| Maksimal strøm | 1128A | |
| Nominell utgangseffekt | 500kW | |
|
AC-Side parametere (netttilkoblet) |
Maksimal utgangseffekt | 550kW |
| Nominell utgangsstrøm | 722A | |
| THDi | <3 % | |
| Rutenetttype | 3W+N+PE | |
| Spenningsområde | 360VAC~440VAC | |
| Frekvensområde | 45~55Hz/55~65Hz | |
| Effektfaktor | -1~1 | |
| Nominell utgangseffekt | 500kW | |
|
AC side parametere (utenfor rutenett) |
Nominell utgangsspenning | 400V |
| Nominell utgangsfrekvens | 50/60 Hz | |
| THDu | <1 %lineær belastning,<5 % ikke-lineær belastning | |
| Overbelastningskapasitet | 110% 10 minutter | |
| Bypass-bryter for vedlikehold | 1250A | |
|
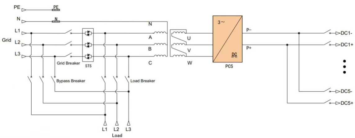
Off-Grid bryter og bryterkonfigurasjon |
DC bryter | 1250A |
| Last bryter | 1250A | |
| Nettbryter | 1250A | |
| STS enhet | 1155A/800kW | |
| Byttetid | <20 ms | |
|
Systemparametere |
Toppeffektivitet | 97,5 % |
| Driftstemperatur | -30 ~ 55 ℃ (reduksjon over 40 ℃) | |
| Relativ fuktighet | 0 til 95 % RH, Ikke-kondenserende | |
| Dimensjoner (L*D*H) | 1600×1050×2050 mm | |
| Vekt | 2700 kg | |
| IPgrade | IP21 IP21 (komplett maskin) | |
| Støy | <70dB | |
| Skjerm | LCD | |
| BMS kommunikasjon | KAN | |
| EMS kommunikasjon | TCP/IP | |